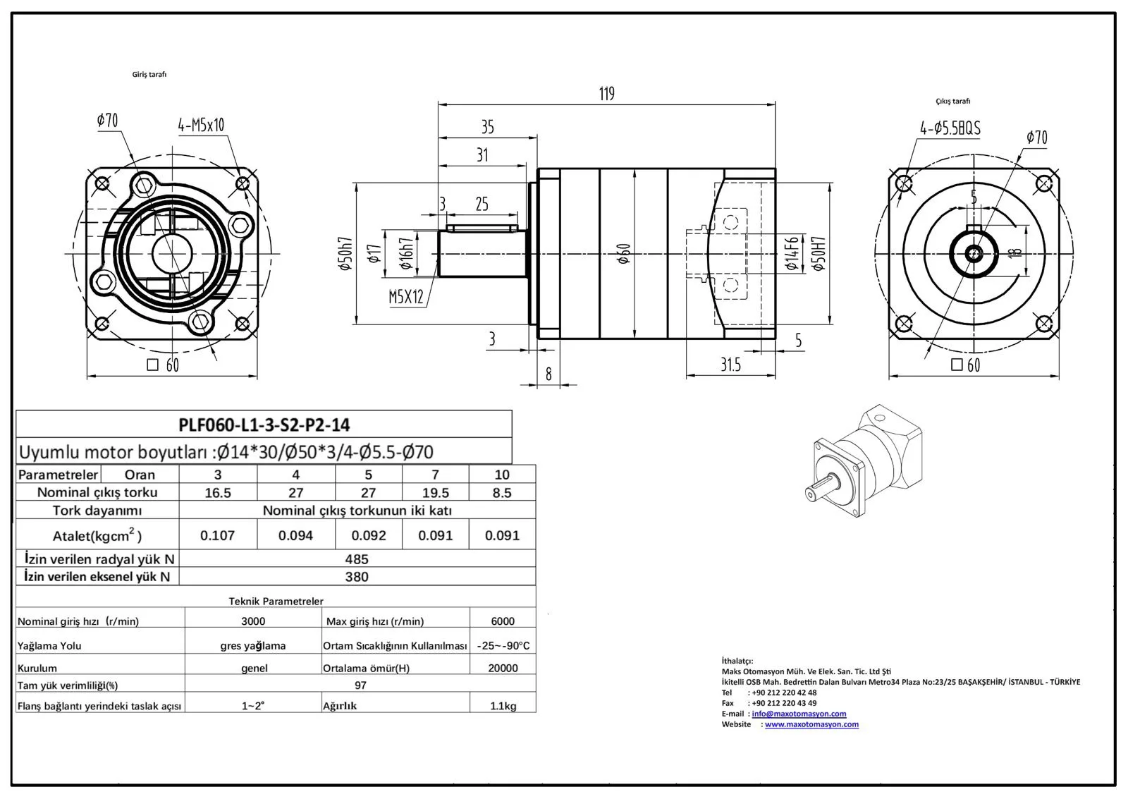
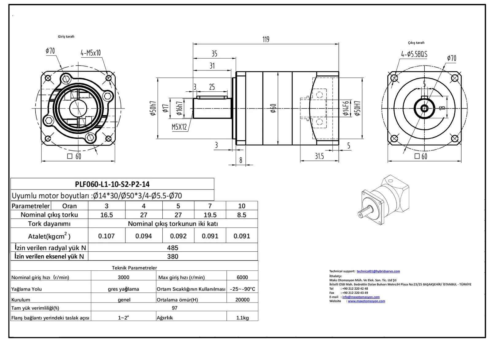
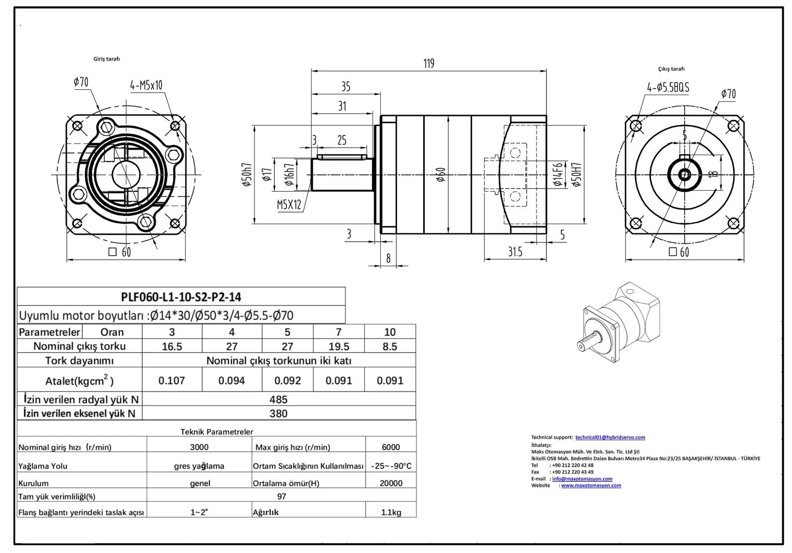
400W servo motorlar ile 57-60 (Nema23-Nema24) gövde step motorlar için yüksek verimli, düşük boşluklu planet redüktör çözümleri.

JKON-TEK PLF60 serisi, planet dişli mimariye sahip kompakt yapısıyla güç aktarımını dengeli biçimde dağıtarak yüksek tork, yüksek verimlilik ve yüksek hassasiyet sağlar. Servo ve step motorlarla tam uyum içinde çalışan bu seri, düşük gürültü seviyesi ve hassas geri boşluk değerleri ile endüstriyel otomasyonda sürdürülebilir performans sunar.
Çoklu dişli temas yüzeyleri ile yükü eşit dağıtarak aşınmayı azaltır, kompakt ölçülerde yüksek tork aktarımı ve uzun ömürlü kullanım sağlar.
Optimize edilmiş dişli geometrisi sayesinde tek kademede %97, iki kademede %95 verimlilikle güç kayıplarını minimumda tutar.
Konumlandırma uygulamalarında 3 arcmin’e kadar düşen boşluk değerleri ile tekrar edilebilirlik ve yüksek doğruluk sağlar.
65 dB’nin altındaki çalışma gürültüsü ve titreşim azaltılmış yapısı ile uzun süreli kullanımlarda bile stabil performans sunar.
Özellik | Değer |
|---|---|
| Gövde Boyutu | 400W Servo Motorlar ve 57 - 60(Nema23 - Nema24) Gövde Step Motorlar için uygun |
| Giriş Devri | Maksimum 6000 rpm |
| Verimlilik | %97 (tek kademeli), %95 (çift kademeli) |
| Boşluk (Backlash) | < 3 arcmin (tek kademe), < 5 arcmin (çift kademe) |
| Çalışma Gürültüsü | < 65 dB, titreşimi azaltılmış yapı |
| Uyumlu Motorlar | Servo motorlar ve açık/kapalı çevrim step motorlar |
| Çıkış Torku | Ağır yük uygulamalarında yüksek ve dengeli tork aktarımı |