NEMA 23 gövde yapısı, entegre encoder geri beslemesi ve otomatik akım optimizasyonu ile endüstriyel uygulamalarda hassas pozisyonlama sunan hibrit servo motor ailesi.

Enkoderli step motor, bir step motor ile geri besleme kontrol sistemini birleştiren bir motor türüdür. Açık çevrim step motorla karşılaştırıldığında, kapalı çevrim step motor; kontrol hassasiyeti, verimlilik ve yük uyumu açısından önemli iyileştirmeler sağlar.
Enkoderli step motor, motorun dönüş pozisyonu ve hızı hakkında gerçek zamanlı geri bildirim sağlayabilen bir encoder ile donatılmıştır. Bu, kontrol sisteminin sapmaları algılamasına ve düzeltmesine olanak tanır.
Geri besleme mekanizması sayesinde, enkoderli step motorlar yüksek hassasiyetli konumlandırmayı sürdürebilir ve yük değişikliklerinden kaynaklanan adım kayıplarını azaltabilir. Ağır iş yükleri altında, enkoderli step motorlar akımı ve güç tüketimini otomatik olarak ayarlayarak motor verimliliğini ve performansını artırabilir. EC Serisi Step Motorlar, yüksek hassasiyet ve güvenilirlik gerektiren uygulamalar için tasarlanmıştır
Özellik | Değer |
|---|---|
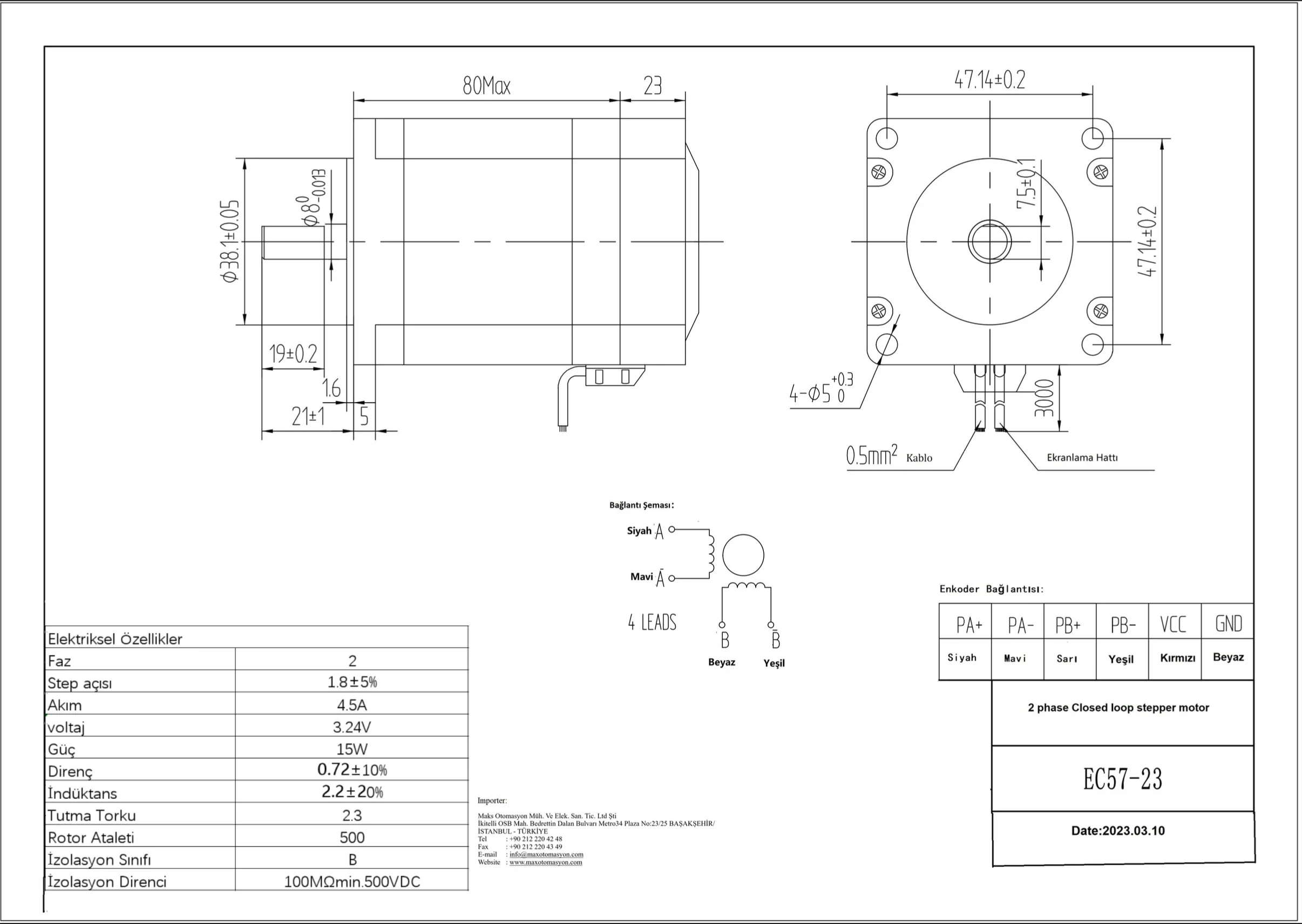
| Gövde Boyutu | 57x57mm (NEMA23) |
| Hassasiyet | ±5%(tam kapasite adımlama, yüksüz) |
| Çalışma Sıcaklığı | 85℃ MAX |
| Ortam Sıcaklığı | -25℃~+55℃ |
| İzolasyon Direnci | 100MΩmin 500VDC |
| Dayanıklılık | Bir dakika için 500VAC |
| Dairesel Hata | 0.02 Max(450g-yük) |
| Eksenel Hata | 0.08 Max(450g-yük) |