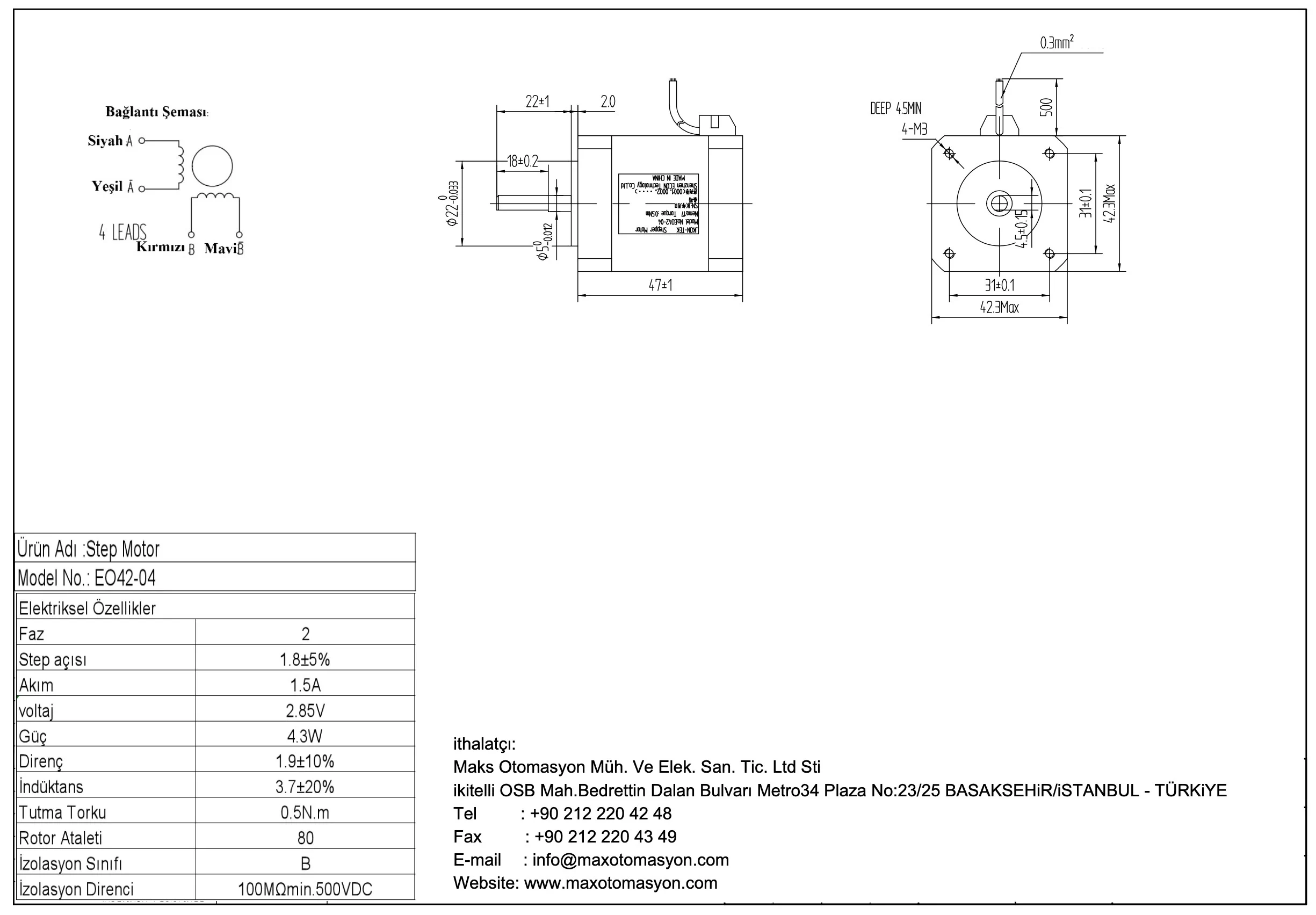
NEMA 17 gövde formu, hassas 1.8° adım açısı ve kompakt boyutuyla masaüstü CNC, 3B yazıcı ve hafif endüstriyel uygulamalara yönelik güvenilir step motor çözümü.

Açık çevrim step motorlar, otomasyon ve hareket kontrol sistemlerinde yaygın olarak kullanılan, hassas konumlama kabiliyeti sağlayan motorlardır. Bu motorlar sürekli dönme yerine belirli adımlar ile hareket eder.
Her darbe, sabit bir dönme açısına karşılık gelir. Bu sayede motor, yüksek doğrulukta konumlandırma sağlar ve hassas pozisyonlama işlemlerinde üstün performans sergiler.
Diğer motor türlerine kıyasla step motorların kontrolü daha basittir. İstenen hareketin sağlanması için yalnızca uygun sinyal darbelerinin gönderilmesi yeterlidir.
Özellik | Değer |
|---|---|
| Gövde Boyutu | 42x42mm (NEMA17) |
| Hassasiyet | ±5%(tam kapasite adımlama, yüksüz) |
| Çalışma Sıcaklığı | 85℃ MAX |
| Ortam Sıcaklığı | -25℃~+55℃ |
| İzolasyon Direnci | 100MΩmin 500VDC |
| Dayanıklılık | Bir dakika için 500VAC |
| Dairesel Hata | 0.02 Max(450g-yük) |
| Eksenel Hata | 0.08 Max(450g-yük) |