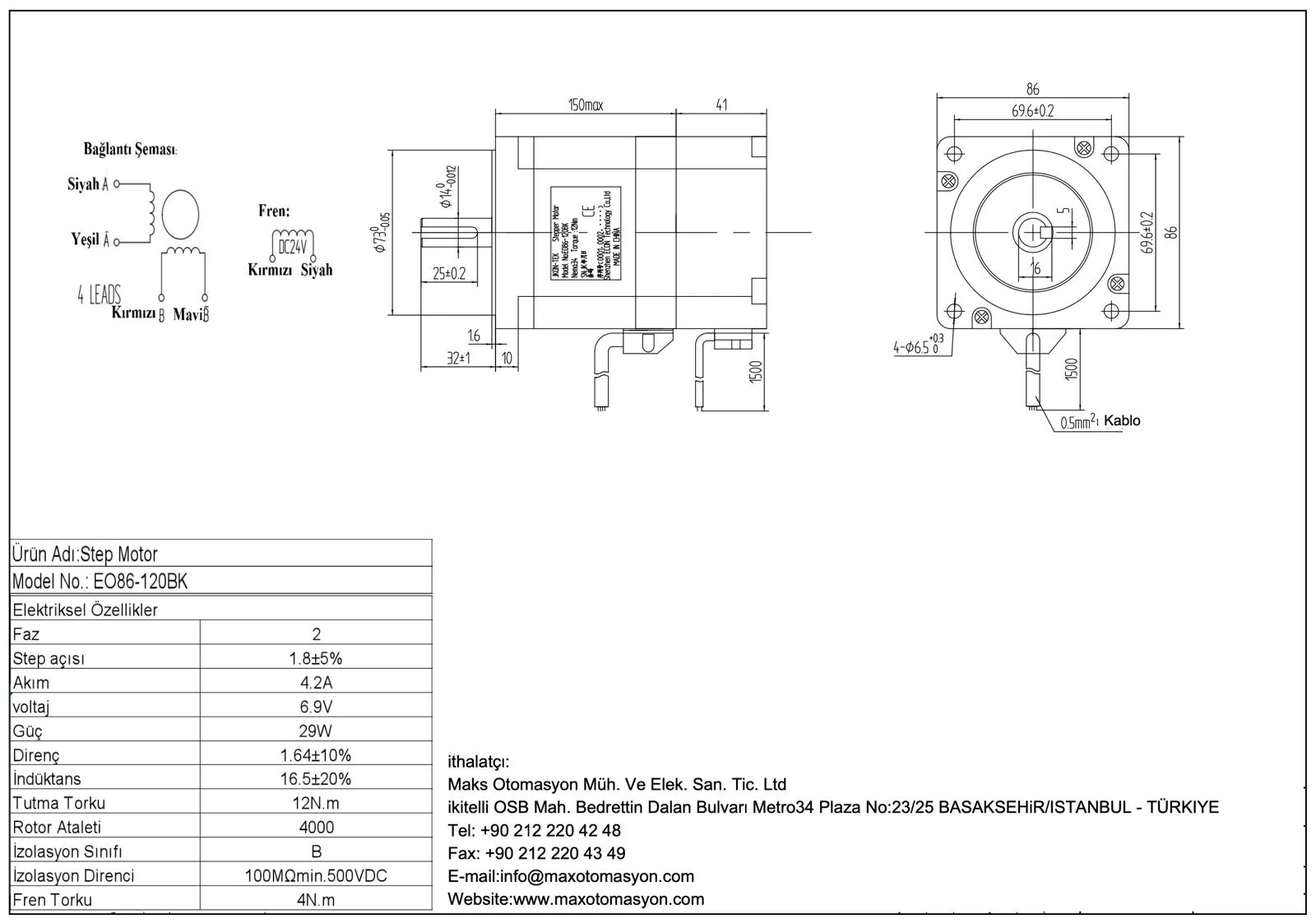
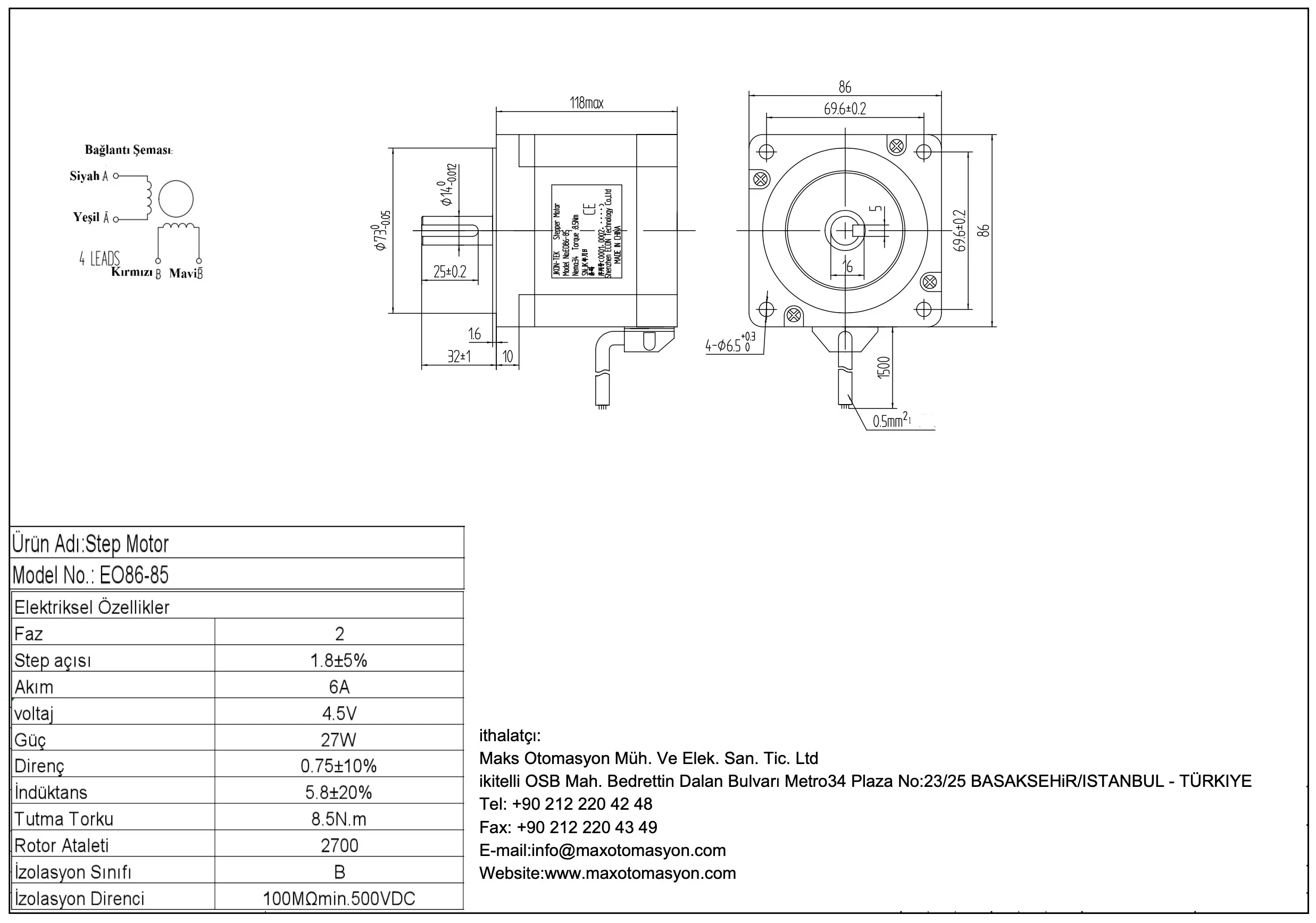
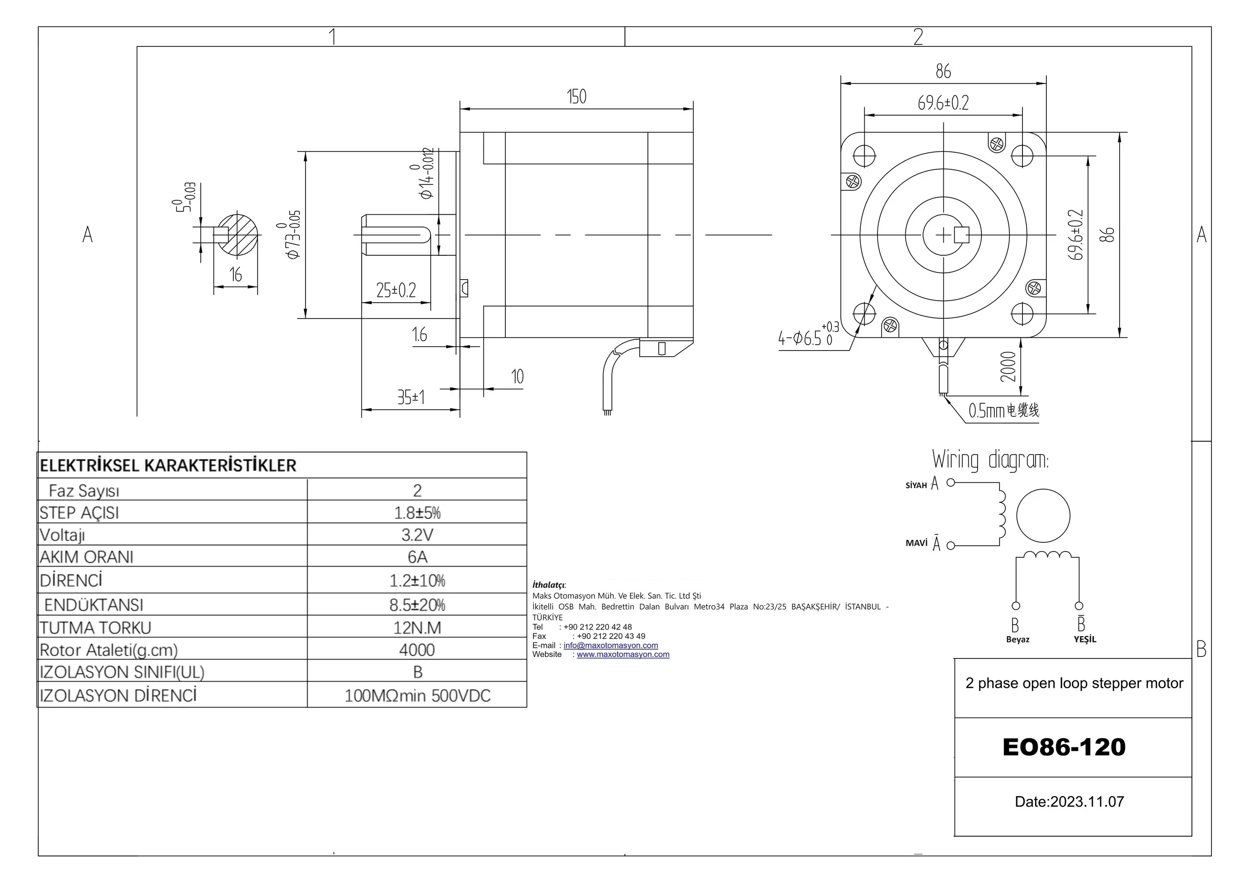
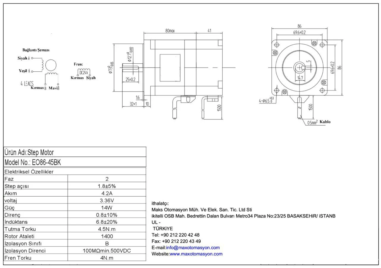
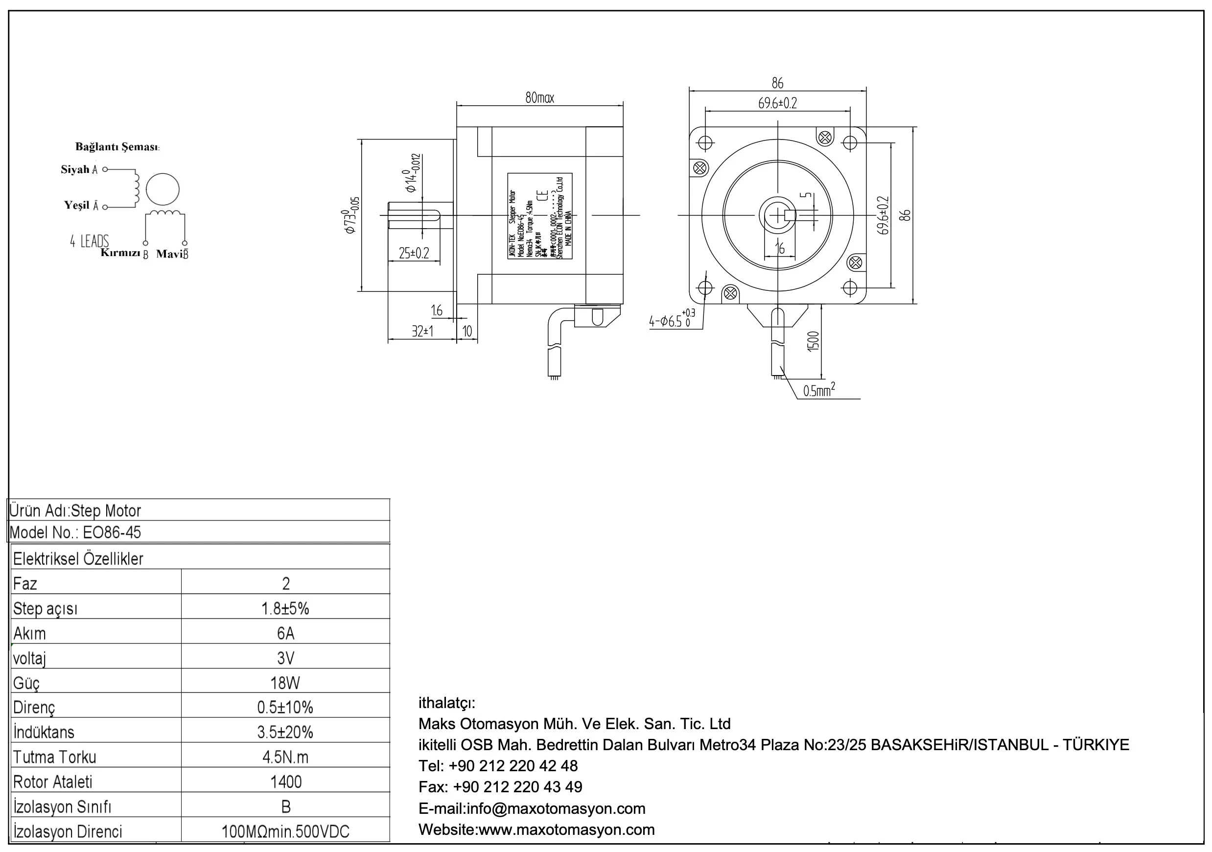
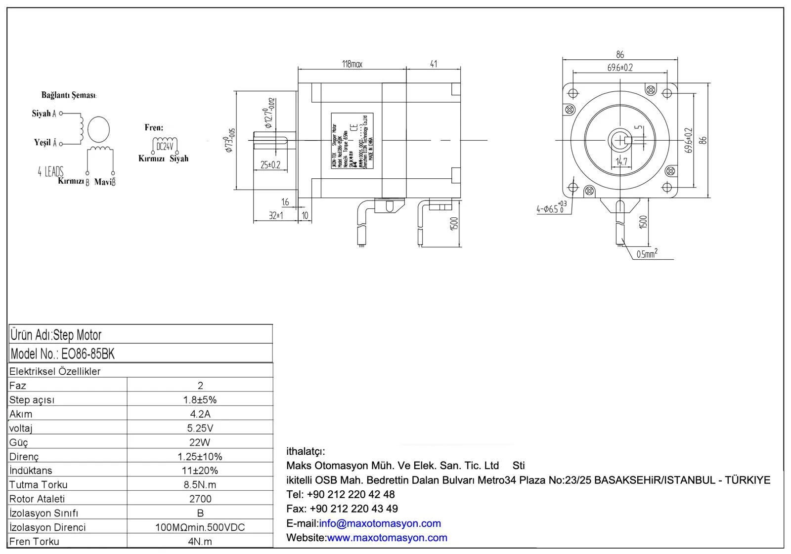
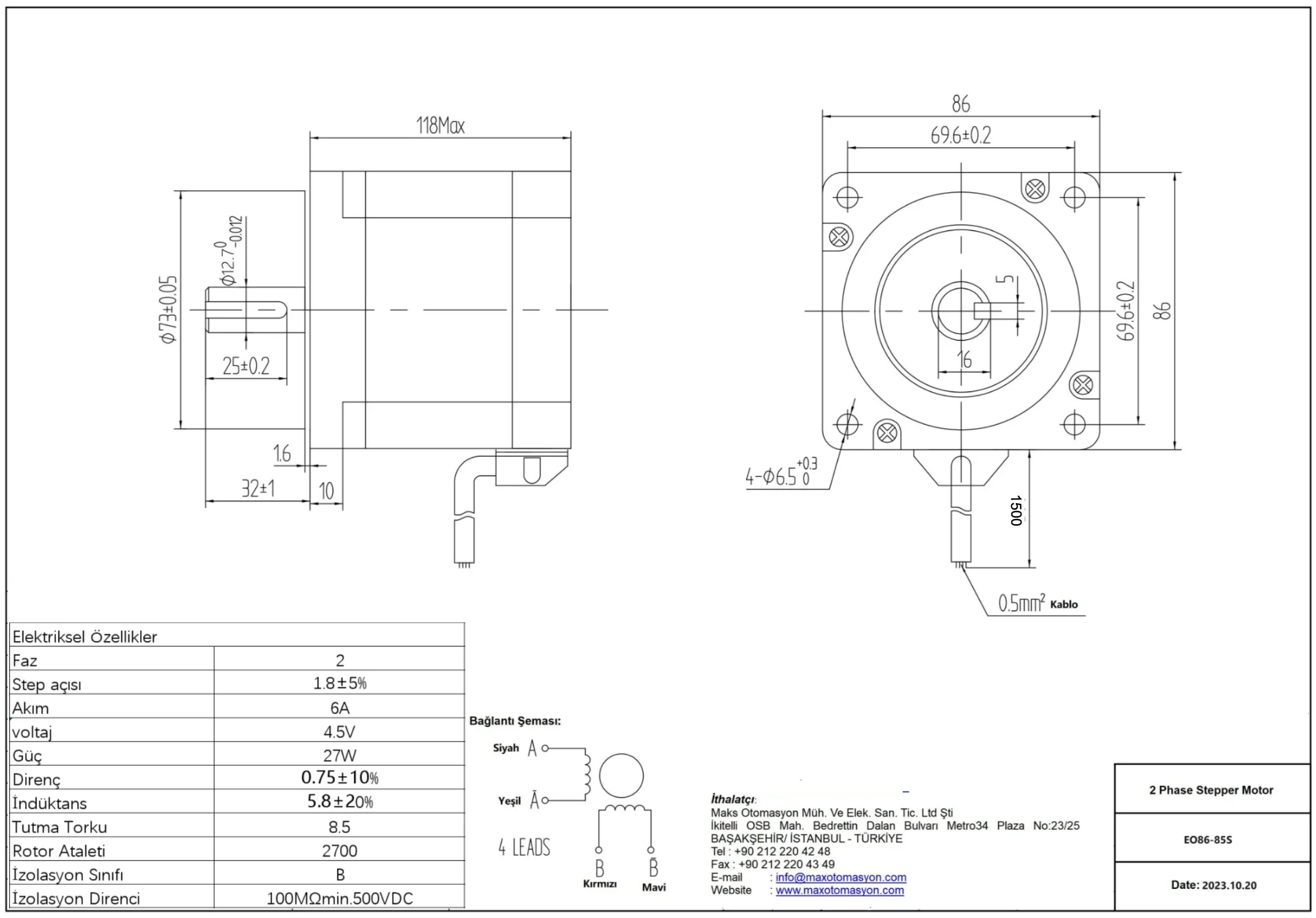
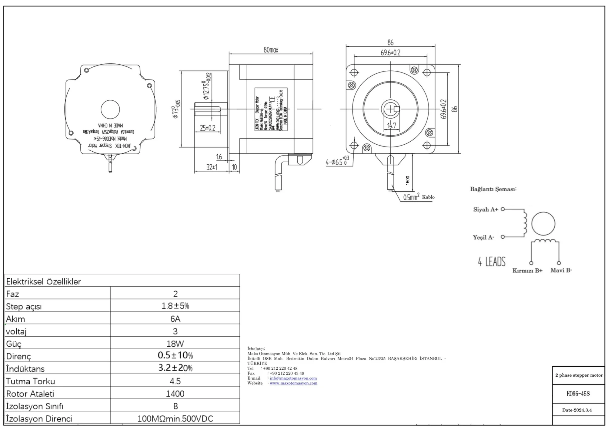
Yüksek tork gerektiren uygulamalar için tasarlanan EO86 serisi, NEMA34 gövde yapısı ve frenli seçenekleriyle stabil çalışma ve hassas konumlama sağlar.

Açık çevrim step motorlar, otomasyon ve hareket kontrol sistemlerinde yaygın olarak kullanılan, hassas konumlama kabiliyeti sağlayan motorlardır. Bu motorlar sürekli dönme yerine belirli adımlar ile hareket eder.
Her darbe, sabit bir dönme açısına karşılık gelir. Bu sayede motor, yüksek doğrulukta konumlandırma sağlar ve hassas pozisyonlama işlemlerinde üstün performans sergiler.
Diğer motor türlerine kıyasla step motorların kontrolü daha basittir. İstenen hareketin sağlanması için yalnızca uygun sinyal darbelerinin gönderilmesi yeterlidir.
Özellik | Değer |
|---|---|
| Gövde Boyutu | 86x86mm (NEMA34) |
| Hassasiyet | ±5%(tam kapasite adımlama, yüksüz) |
| Çalışma Sıcaklığı | 85℃ MAX |
| Ortam Sıcaklığı | -25℃~+55℃ |
| İzolasyon Direnci | 100MΩmin 500VDC |
| Dayanıklılık | Bir dakika için 500VAC |
| Dairesel Hata | 0.02 Max(450g-yük) |
| Eksenel Hata | 0.08 Max(450g-yük) |